kategorier: Utvalda artiklar » Praktisk elektronik
Antal visningar: 43018
Kommentarer till artikeln: 3
Enkel logisk sond
Logiskt sondschema för felsökning av digitala kretsar, en beskrivning av dess kapacitet och metoder för att arbeta med en sond.
Det är välkänt att för reparation och etablering av elektroniska digitala kretsar är det nödvändigt oscilloskop. Naturligtvis har de dagar försvunnit när det var nödvändigt att reparera stora datorer i fabriker. Men det fanns enheter för olika ändamål på mikrokontrollers, specialiserade mikrokretsar, ett stort antal enheter som använder digitala mikrokretsar med en liten grad av integration (inte alla företag och organisationer lyckades skaffa modern importerad utrustning).
Det är omöjligt att se processerna som sker i pulserade kretsar med en konventionell avometer och dra slutsatser om kretsens drift som helhet. Men oscilloskopet är inte alltid till hands. I det här fallet kan den beskrivna logiska sonden vara till ovärderlig hjälp.
Många liknande apparater har beskrivits i litteraturen, och alla med samma syfte har fortfarande helt andra parametrar: det finns några som helt enkelt är obekväma och obegripliga att arbeta med. Sådana sonder producerades av den inhemska industrin fram till slutet av förra seklet.
Under många år hade jag möjlighet att använda en logisk sond vars design beskrivs nedan. Kretsen har visat sig vara pålitlig och enkel att använda.
Den största skillnaden mellan detta schema och liknande är det minsta antalet delar med ganska bred kapacitet. En av funktionerna i kretsen är närvaron av en andra ingång, som ibland tillåter dig att göra utan ett tvåstrålsoscilloskop.
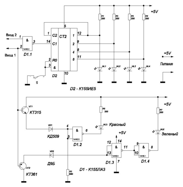
Logisk sond elektrisk schemat
Beskrivning av konceptet.
Strömförsörjningen till sonden (+ 5V) utförs från den testade kretsen.
Den studerade signalen matas till basen på ingångstransistorerna VT1, VT2, utformad för att öka anordningens ingångsmotstånd. Vidare, genom dioderna VD1, VD2, går signalen till logiska element D1.2, D1.3, D1.4, som lyser de röda och gröna lysdioderna.
Tekniker för att arbeta med en sond.
Den röda lysdiodens glöd indikerar närvaron av en logisk enhet vid ingången och grön - logisk noll.
För den beskrivna sonden är den logiska nollspänningen 0 ... 0,4 V, och den logiska enhetsspänningen är 2,4 ... 5,0 V. Om ingång 1 på sonden inte är ansluten någonstans är båda lysdioderna släckta.
I det fall ingång 1 är ansluten till den krets som testas och båda lysdioderna är av, kan vi anta att det finns ett fel. Denna nivå kallas "grå".
Förutom att visa logiska nivåer på noll och en, kan sonden också indikera närvaron av pulser. För dessa ändamål används en binär räknare D2, till vilka utgångar de gula lysdioderna HL1 ... HL4 är anslutna.
Med ankomsten av varje puls ökar räknarens tillstånd med en. Om pulsrepetitionsfrekvensen är liten, kan du se blinkning av räknarens lysdioder, även om en puls som varar flera mikrosekunder visas en gång i sekundet eller ännu mindre. En sådan process kan endast fixas med hjälp av ett lagringsoscilloskop - en enhet som är ganska dyr och sällsynt.
När pulser följer med en hög frekvens verkar det som att lysdioderna HL1 ... HL4 lyser kontinuerligt, även om de faktiskt tänds av pulser.
Genom glödet av de röda och gröna lysdioderna kan man ungefär utvärdera pulsernas form. Om ljusstyrkan för båda lysdioderna är densamma, är pulslängden (log. 1) lika med pausens varaktighet (log. 0). En mer intensiv glöd av den röda lysdioden indikerar att pulslängden (log. 1) är längre än pausvaraktigheten (log. 0) och vice versa.
Förhållandet mellan puls och paus kan vara sådant att glödet på endast en lysdiod märks. Men om samtidigt räknaren fortsätter att räkna så finns det pulser.Knappen S1 används för att återställa räknaren: om de efter att ha tryckt och släppt lysdioderna HL1 ... HL4 slocknar och inte ändrar tillstånd, så finns det inga pulser, och sonden visar helt enkelt en logisk nivå på noll eller en.
Några ord om detaljerna.
Dioder VD1, VD2 kan ersättas av alla pulserade lågeffektdioder. Endast i detta fall bör man komma ihåg att VD1 måste vara kisel, och VD2 måste vara germanium: det är de som skiljer nivån noll och enhet. Transistorer kan vara med valfritt alfabetiska index eller ersättas med KT3102 och KT3107.
Chips kan ersättas av importerade analoger: K155LA3 på SN7400N och K155IE5 på SN7493N.
Utformningen av sonden är godtycklig, men det görs bäst med en tryckt krets i form av en sond, placerad i ett lämpligt plasthölje.
När du arbetar med en sond måste du noga övervaka för att inte ansluta ström till kretsar med en spänning på mer än 5V, och inte heller vidröra sådana kretsar med en mätsond. Sådana rörelser leder till reparation av enheten.
Boris Aladyshkin
Se även på elektrohomepro.com
:

